一、产品型号及其含义
产品型号及其含义如下:

二、适用范围与场所
1.适用范围
a)环境温度:-20℃~40℃;
b)大气压力:80kPa~110kPa;
c) 周围空气相对湿度不大于95%(25℃时);
d) 存在有ⅡA~ⅡC类、T1~T4组别的可燃性气体,蒸气与空气形成的爆炸性气体混合物1区、2 区危险场所和可燃性粉尘21区、22区危险场所;
e) 在无显著振动的地方;
f) 在无破坏金属绝缘的气体和蒸气的环境。
三、技术参数
基本技术参数如下表1
表1 基本技术参数表

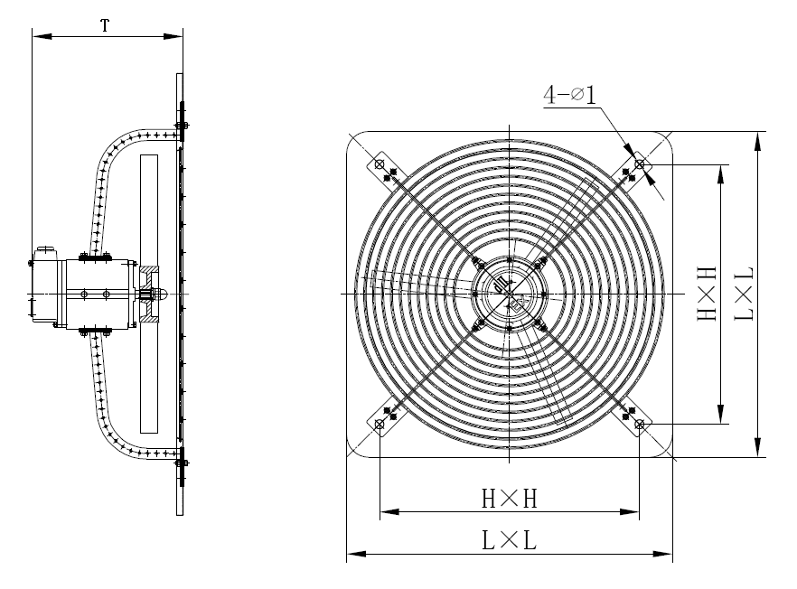
排风扇外型结构及安装尺寸示意图如下图1:


